Description
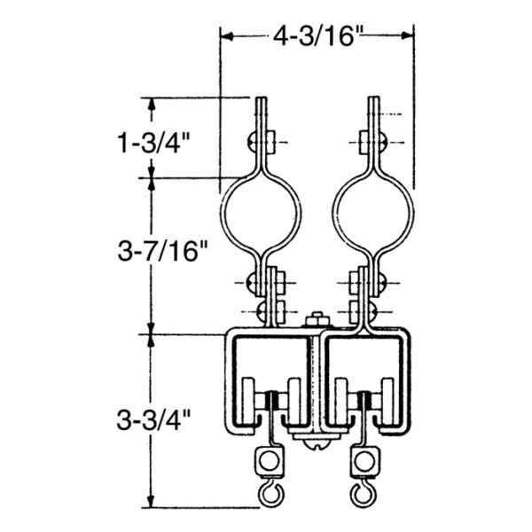
ADC 170 Besteel® track is the most popular medium duty track for the stage. It can be found in high schools, universities, dance studios and regional theatres across the country.
This Walk-draw Track System is available to install to hang Douglas indoor facility gym divider curtains. Tracks are constructed of 14 gauge galvanized steel in both suspended and direct mount installation options.
Specifications:
- Medium duty channel.
- 14 gauge steel.
- Galvanized finish.
- Fixed curves available for walk-along systems.
- Walk Along (pull) style.











